26 Νοεμβρίου 2010 02:00
Επιλογή πολώσεων λήψης
Μοιράστε μόνο αυτά που θέλετε!
Γράφει: Δημήτρης Σπουρνιάς
Όσοι πραγματικά ξέρουν τι θέλουν να βλέπουν έχουν πολλές επιλογές στα χέρια τους… Πως; Αποκλείοντας τις δορυφορικές πολώσεις που δε χρειάζονται και διανέμοντας μονάχα αυτές που περιέχουν τα κανάλια που πρόκειται να παρακολουθούν.
Η παραπάνω τοποθέτηση ακούγεται αρχικά λίγο παράλογη, ωστόσο δεν είναι λίγες οι φορές, όπου από έναν ολόκληρο δορυφόρο, παρακολουθούμε μονάχα συγκεκριμένα κανάλια σε συγκεκριμένες πολώσεις. Απορρίπτοντας λοιπόν, τις “περιττές” πολώσεις μπορούμε να διανείμουμε περισσότερους δορυφόρους, ή καλύτερα, περισσότερες ωφέλιμες δορυφορικές πολώσεις στη διανομή μας.
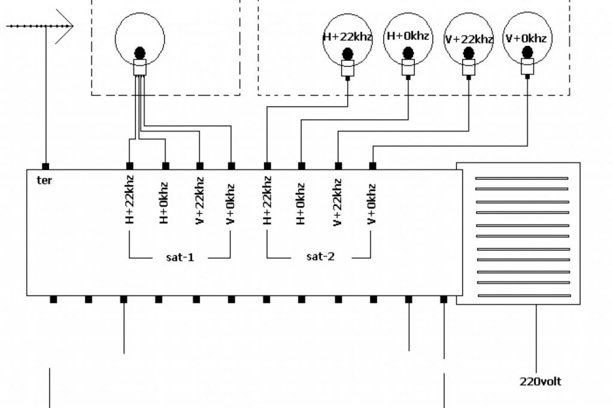
Η δορυφορική μπάντα Ku διαχωρίζεται σε τέσσερα τμήματα, με βάση τη συχνότητα και την πόλωση: την πάνω οριζόντια πόλωση (Η+22kHz), την κάτω οριζόντια πόλωση (Η+0kHz), την πάνω κάθετη πόλωση (V+22kHz) και την κάτω κάθετη πόλωση (V+0kHz).
Τότε επεμβαίνει η μέθοδος της επιλεκτικής λήψης καναλιών. Επιλέγουμε πρώτα τα κανάλια που θέλουμε και αρχίζουμε να τα διαχωρίζουμε σε διάφορες ομάδες. Εκτός λοιπόν από τη βασική ομάδα ενδιαφέροντος, πρέπει να τα ξεχωρίσουμε ανά δορυφόρο, ανά συχνότητα, αλλά και ανά πόλωση εκπομπής. Ίσως η προσπάθεια διαχωρισμού μας προκαλέσει έντονο πονοκέφαλο, αλλά αν είμαστε προσεκτικοί και δεν μας διακατέχει η επιθυμία του «τα θέλω όλα!», θα έχουμε κάνει μια εγκατάσταση, που θα μας ικανοποιεί με τα κανάλια που θα παρέχει.
Αφού λοιπόν βρούμε και ομαδοποιήσουμε τα κανάλια σε μια λίστα, υπολογίζουμε τον εξοπλισμό που θέλουμε για τη λήψη τους. Εκτός από τέσσερα Single Universal LNBs και ένα Quattro LNB, θα χρειαστούμε και έναν πολυδιακόπτη 8 εισόδων (είσοδος δύο δορυφόρων), ο οποίος θα πρέπει να είναι καλής ποιότητας.
Ας ορίσουμε λοιπόν τους δορυφόρους, από τους οποίους θέλουμε να δούμε κάποια κανάλια. Ένας δορυφόρος είναι ο Hot Bird, από τον οποίο θέλουμε να βλέπουμε όλα τα κανάλια που περιέχει. Οι επόμενοι δορυφόροι είναι ο Α, o Β, o C και ο D (δεν θα αναφέρουμε ονόματα, αφού η επιλογή των δορυφόρων αφορά τον ιδιοκτήτη της εγκατάστασης). Το LNB λοιπόν του Hot Bird, το συνδέουμε κανονικά πάνω στον πολυδιακόπτη (και τις τέσσερις πολώσεις / εξόδους).
Από το δορυφόρο A θέλουμε κανάλια που να βρίσκονται στην πόλωση V+0kHz, από το δορυφόρο B κανάλια που να βρίσκονται στην πόλωση Η+22kHz, από το δορυφόρο C κανάλια που να βρίσκονται στην πόλωση V+22kHz και από το δορυφόρο D κανάλια που να βρίσκονται στην πόλωση Η+0kHz.
Τοποθετούμε ένα κάτοπτρο-LNB ανά δορυφόρο ή κάνουμε συνδυασμούς κατόπτρων και LNB, στοχεύοντας πάντα τους επιθυμητούς δορυφόρους. Όλα τα LNB που θα χρησιμοποιήσουμε, πρέπει να είναι Single Universal, αφού η επιλογή της μπάντας επιτυγχάνεται πλέον από τον πολυδιακόπτη, ο οποίος θα αναλάβει να τα οδηγήσει με τα απαραίτητα σήματα ελέγχου. Κάθε είσοδος του πολυδιακόπτη αναγράφει επάνω της το συνδυασμό μπάντας-πόλωσης, που έχει προκαθοριστεί να κατεβάσει.
Έτσι, συνδέουμε τώρα τα LNB ένα-ένα στην επιθυμητή είσοδο του πολυδιακόπτη, προσέχοντας ώστε ο συνδυασμός μπάντας-πόλωσης που επιθυμούμε, να είναι κοινός με αυτή που μπορεί να οδηγήσει ο πολυδιακόπτης. Με αυτόν τον τρόπο, κάθε είσοδος του πολυδιακόπτη θα παραλάβει ακριβώς τα κανάλια που επιθυμούμε.
Σημαντικός παράγοντας εδώ, είναι η ρύθμιση skew του κάθε LNB. Πρέπει να κάνουμε τη ρύθμιση αυτή, τσεκάροντας όλες τις μπάντες του κάθε δορυφόρου, ώστε να μην έχουμε προβλήματα στις εισόδους του διακόπτη. Άλλωστε, ας μην ξεχνάμε, ότι η ρύθμιση του skew, είναι στην ουσία η ρύθμιση της πόλωσης.
Τι γίνεται όμως στην περίπτωση, που πρέπει να κατεβάσουμε από διαφορετικούς δορυφόρους, δύο ή περισσότερους ίδιους συνδυασμούς μπάντας-πόλωσης; Στην περίπτωση αυτή, θα πρέπει να επιλέξουμε πολυδιακόπτη, που να περιέχει εξωτερικά μικρά διακοπτάκια, που καθορίζουν τις πολώσεις των εισόδων του, τουλάχιστον στη μία θέση υποδοχής δορυφόρου (sat 2). Αυτά τα μικρά διακοπτάκια ανοιγοκλείνουν κατ’ επιλογή μας, τη γεννήτρια 22kHz και αλλάζουν τα χαρακτηριστικά λήψης στην είσοδο του πολυδιακόπτη.
Κατά την ανίχνευση τώρα των καναλιών στο δέκτη, οι ρυθμίσεις είναι σαν να κάνουμε λήψη μόνο δύο δορυφόρων. Έτσι, στις ρυθμίσεις DiSEqC στη θέση Α, θα βάλουμε το δορυφόρο που έχουμε επιλέξει για full λήψη και στη συγκεκριμένη περίπτωση τον Ηot Βird, ενώ στη θέση Β όλους τους άλλους δορυφόρους. Έτσι, ο δέκτης μας θα θεωρεί ότι βλέπει μόνο δύο δορυφόρους, αλλά στην ουσία, ο δεύτερος δορυφόρος θα αποτελεί μίξη διαφορετικών συχνοτήτων και πολώσεων από άλλους τέσσερις.
Σε κάθε περίπτωση, θα πρέπει να θυμόμαστε τον ακριβή συνδυασμό μπάντας-πόλωσης, που έχουμε επιλέξει για κάθε δορυφόρο, καθώς θα μας χρειαστεί κάθε φορά που επιθυμούμε να προβούμε στη διαδικασία της χειροκίνητης αναζήτησης καναλιών.
Στην περίπτωση αναζήτησης καναλιών που αφορούν τη θέση sat2 του πολυδιακόπτη, είναι προτιμότερο να κάνουμε από την αρχή χειροκίνητη αναζήτηση, αφού στο μενού των περισσοτέρων δεκτών, δεν θα μπορούμε να δηλώσουμε δορυφόρο στην αυτόματη σάρωση. Στην περίπτωση όμως της χειροκίνητης αναζήτησης, έχουμε τη δυνατότητα να δηλώσουμε όνομα δορυφόρου, με σταθερή πάντα την επιλογή DiSEqC στη θέση Β. Βέβαια, τα περισσότερα από αυτά, είναι άμεσα εξαρτώμενα από τις επιλογές, που μας δίνει το μενού του δέκτη μας.
Η κατασκευή που περιγράψαμε παραπάνω, δεν είναι δεσμευτική όσον αφορά την τοποθέτηση στη μία θέση υποδοχής δορυφόρου, όλων των πολώσεων αυτού, όπως συνέβη στην περίπτωσή μας, με τον Hot Bird. Δεσμευτικός δεν είναι ούτε ο αριθμός εισόδων στον πολυδιακόπτη. Μπορούμε να κάνουμε χρήση ενός μικρότερου πολυδιακόπτη τεσσάρων εισόδων, κατεβάζοντας επιλεκτικά κανάλια από τέσσερις δορυφόρους. Φαντασθείτε πόσους συνδυασμούς μπορείτε να έχετε, αν κάνετε χρήση πολυδιακόπτη με τέσσερις εισόδους υποδοχής δορυφόρων. Όσον αφορά τώρα την περίπτωση των εξόδων του πολυδιακόπτη, δεν την αναφέρουμε, αφού εξαρτάται άμεσα από τον αριθμό χρηστών.
Φυσικά, θα πρέπει οι χρήστες (εάν πρόκειται για πολυκατοικία) να είναι ενήμεροι για την ιδιαιτερότητα της εγκατάστασης και να μην παλεύουν να βρουν κανάλια που δεν υπάρχουν, ή να αγνοούν μπουκέτα που φτάνουν στο δέκτη τους! Η επιλογή των πολώσεων είναι μια πολύ καλή λύση σε συστήματα πολλαπλών λήψεων, ωστόσο έρχεται σε αντίθεση με την, συνήθως, άπληστη και αχόρταγη φύση του ανθρώπου. Εάν καταφέρει να την υπερνικήσει, σίγουρα το αποτέλεσμα θα είναι πετυχημένο.




