1 Ιανουαρίου 2011 02:00
IP και TV στο ομοαξονικό καλώδιο
Γράφει: Δημήτρης Σπουρνιάς
Featured | Μπορεί η τεχνολογία Wi-Fi να παρέχει πολύ καλές δυνατότητες διαμοιρασμού μιας σύνδεσης Internet, ωστόσο ως ασύρματη τεχνολογία έχει τα όριά της. Η καλωδίωση UTP παρέχει σίγουρα πιο αξιόπιστη σύνδεση στο Internet, αλλά τις περισσότερες φορές τα επιπλέον καλώδια δημιουργούν μεγάλους πονοκεφάλους… Υπάρχει όμως ακόμα μια, πολύ ενδιαφέρουσα λύση για διαμοιρασμό μιας γραμμής ADSL, που μάλιστα έχει να κάνει με το γνωστό μας ομοαξονικό καλώδιο!
Πρόκειται λοιπόν για μοίρασμα μιας ADSL σύνδεσης internet σε πολλούς χρήστες, μέσα από το δίκτυο της τηλεόρασης, με ταυτόχρονο μοίρασμα του κόστους, όταν πρόκειται για μια πολυκατοικία και, ακόμα καλύτερα, για αύξηση των εσόδων όταν πρόκειται για ξενοδοχείο, ειδικά αν προστεθεί και στο σύστημα χρέωσης των πελατών.
Η λογική ανάπτυξης αυτής της μεθόδου, προέκυψε από δύο ερωτήματα:
Ερώτηση 1η: Σε πόσα κτίρια (πολυκατοικίες) υπάρχει ενιαίο δίκτυο καλωδίων UTP;
Απάντηση:Από ελάχιστα έως ΣΕ ΚΑΝΕΝΑ!
Ερώτηση 2η: Σε πόσα κτίρια υπάρχει ενιαίο δίκτυο ομοαξονικού καλωδίου;
Απάντηση: ΣΕ ΟΛΑ!
Οι απαντήσεις σε αυτά τα ερωτήματα, οδήγησαν λοιπόν κάποιες εταιρίες, σε συνδυασμό με την ανάπτυξη των γρήγορων συνδέσεων internet, να κατασκευάσουν συσκευές, που να συνδέονται στο δίκτυο της τηλεόρασης και να επιτρέπουν την ταυτόχρονη σύνδεση πολλών χρηστών σε μία γραμμή ADSL, ώστε να απολαμβάνουν μόνιμη σύνδεση, ενώ ταυτόχρονα να μοιράζονται και το κόστος.
Μια τέτοια εγκατάσταση είναι αρκετά εύκολη, αφού απαιτεί ελάχιστες εργασίες και επεμβάσεις στους χώρους που πρόκειται να συνδέσει ο κάθε χρήστης το PC του, καθώς επίσης και μηδενικές ρυθμίσεις στο δίκτυο της τηλεόρασης, μέσα από το οποίο θα γίνει η διανομή.
Ο τύπος της διαμόρφωσης ενός τέτοιου συστήματος είναι OFDM, ενώ το εύρος των συχνοτήτων που χρησιμοποιεί, είναι στα 5-21 MHz. Η ασφάλεια μεταξύ των χρηστών, που παρέχει ένα τέτοιο σύστημα, είναι εξαιρετικά μεγάλη, ενώ με τις κατάλληλες ενέργειες και ρυθμίσεις, είναι δυνατή και η δημιουργία ενός τοπικού δικτύου. Συνήθως, οι ενεργές συσκευές που χρησιμοποιούνται (αρχικές-ενδιάμεσες –τερματικές ), παρέχουν έξοδο 110-112dΒ, ενώ οι ταχύτητες παραμένουν ίδιες, ακόμα και με απώλειες έως 60dΒ. Μάλιστα, σε δόκιμες που έγιναν σε συγκεκριμένο σύστημα, διαπιστώθηκε ότι ακόμα και με απώλειες 70dΒ, η λειτουργία του παρέμενε σταθερή.
Όπως καταλαβαίνετε, ακόμη και με τεράστιες απώλειες, η σύνδεση internet συνεχίζει να υφίσταται, ενώ αν οι ίδιες απώλειες παρατηρούνταν στα κανάλια της τηλεόρασης, θα είχαμε… σκέτα χιόνια.
Τα υλικά που απαιτεί ένα τέτοιο σύστημα, είναι εξαιρετικά λίγα ανά είδος, ενώ δεν χρειάζονται καμία ρύθμιση και καμιά σύνθετη τοποθέτηση για να δουλέψουν. Αυτό βέβαια, εξαρτάται από την κατασκευάστρια εταιρία ενός συστήματος, αλλά, πιστέψτε ότι υπάρχουν συστήματα, που είναι απλώς… Plug & Play.
Παρακάτω, θα σας περιγράψουμε τα εξαρτήματα / συσκευές, που απαιτεί ένα τέτοιο σύστημα και την εφαρμογή σε διάφορους τύπους τηλεοπτικών δικτύων.
Δεν θα δώσουμε βέβαια όλα τα τεχνικά χαρακτηριστικά των ενεργών εξαρτημάτων, αφού αυτά διαφέρουν από κατασκευαστή σε κατασκευαστή.
Βασική προϋπόθεση είναι η ύπαρξη γραμμής ADSL. Η γραμμή που μπορούμε να χρησιμοποιήσουμε για την εφαρμογή, θα πρέπει να είναι κοινόχρηστη, εάν πρόκειται για λειτουργία του συστήματος σε πολυκατοικία ή, με λίγη καλή θέληση, μπορεί να είναι προσωπική και να μοιράζουν το κόστος μόνο όσοι αποκτήσουν πρόσβαση.
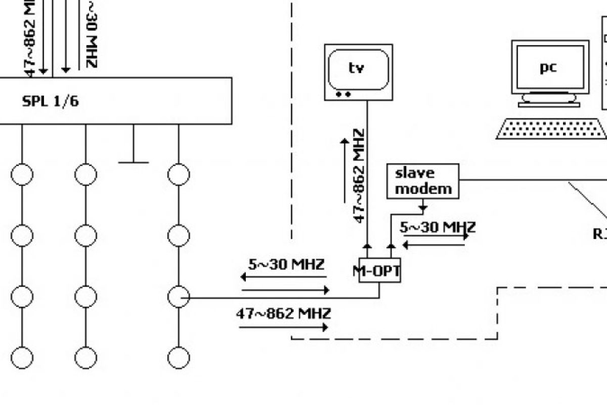
Έτσι λοιπόν, πρώτο εξάρτημα στην εφαρμογή αυτή, είναι o Router, τον οποίο θα τον αποκτήσουμε από τον παροχέα internet, όταν προμηθευτούμε μια σύνδεση ADSL. Δεύτερο εξάρτημα είναι η συσκευή Master modem, η οποία θα παραλάβει το σήμα data από την έξοδο του Router με καλώδιο RJ-45 και θα το διαμορφώσει σε OFDM, στην έξοδο των 75Ω, ώστε να είναι συμβατό με το καλωδιακό τηλεοπτικό δίκτυο.
Απαραίτητο ενεργό εξάρτημα είναι και το modem, που θα χρησιμοποιεί ο κάθε χρήστης (Slave modem), για να συνδέσει τον υπολογιστή του με το δίκτυο. Σαφώς πρέπει και το PC του χρήστη να περιέχει κάρτα δικτύου
Επόμενο εξάρτημα στη διάταξη, είναι ένας διαχωριστής συχνοτήτων (optimizer), που τοποθετείται στην πρίζα της τηλεόρασης και παρέχει μια επιπλέον έξοδο RF, ώστε να διαχωρίζει το τηλεοπτικό σήμα, από το σήμα που προορίζεται για να το modem του χρήστη, απαγορεύοντας τυχόν παρεμβολές στην τηλεοπτική συσκευή μας.
Ένα άλλο ή άλλα εξαρτήματα, που πιθανόν θα χρειαστεί η εγκατάσταση ενός τέτοιου συστήματος, είναι τα diplexers (σχήμα 1). Πρόκειται για εξαρτήματα, που χρησιμοποιούνται για την παράκαμψη του ενισχυτή γραμμής, εάν υπάρχει στο δίκτυο εφαρμογής του συστήματος. Ακόμη και αν ο ενισχυτής περιέχει κανάλι επιστροφής, εμείς πρέπει να τον παρακάμψουμε, αφού στην κανονική πορεία ενίσχυσης δεν θα έχουμε διέλευση των συχνοτήτων 5-21 MHz. Ίσως πολλοί αναρωτηθούν για απώλειες που μπορεί να υπάρξουν, αφού θα προσπεράσουμε τον ενισχυτή και το σήμα των 5-21MHz δεν θα ενισχυθεί. Θα θυμίσω όμως εδώ, ότι το σύστημα μπορεί να δουλέψει ακόμα και με απώλειες της τάξης των 60-70dΒ. Ακόμη, ο diplexer μπορεί να χρησιμοποιηθεί και για τη μίξη της εξόδου του ενισχυτή μιας εγκατάστασης, με την έξοδο του Master modem, αν και το πρόβλημα λύνεται και με τη χρήση απλού μίκτη, αρκεί αυτός να καλύπτει το φάσμα των συχνοτήτων που θέλουμε (5-862MHz). Το ίδιο ισχύει και με όλα τα παθητικά εξαρτήματα του δικτύου, splitters, tap offs. Να σημειώσουμε εδώ, πως το δίκτυο τώρα θα δουλεύει αμφίδρομα. Δηλαδή, δεν θα υπάρχει μόνο κατεύθυνση σήματος από τις κεραίες προς τις πρίζες (5-862MHz), αλλά και από τις πρίζες προς το Master modem (5-21MHz).
Να πούμε ακόμη, πως οι παρακάτω περιγραφές αφορούν εγκαταστάσεις, που δεν περιέχουν τη χρήση πολυδιακοπτών διάταξης αστέρα ή διαδοχικής σύνδεσης. Για τη συνδεσμολογία σε τέτοιου τύπου εγκαταστάσεις, θα αναφερθούμε σε άλλο τεύχος .
Στο σχήμα 2 βλέπουμε την πιο συνηθισμένη διάταξη διανομής τηλεοπτικού σήματος. Πρόκειται για διάταξη σε στήλες και βρίσκεται στις περισσότερες πολυκατοικίες. Εδώ, το σύστημα έχει τέλεια εφαρμογή. Αρκεί μια γραμμή ADSL, στο σημείο που ξεκινάει η διανομή του σήματος, προς τα διαμερίσματα του κτιρίου. Συνδέουμε το modem με το Router του παροχέα, με καλώδιο RJ-45 και μετά οδηγούμε την έξοδο RF του modem, μέσω ενός μίκτη, στο splitter διανομής. Στην άλλη είσοδο του splitter, τοποθετούμε την έξοδο του ενισχυτή κεντρικής.
Ο χρήστης τώρα, στο διαμέρισμα που επιθυμεί να αποκτήσει πρόσβαση, το μόνο που έχει να κάνει, είναι να παρεμβάλει μεταξύ πρίζας και τηλεόρασης, ένα optimizer. Πάνω στο optimizer, θα συνδέσει ξανά τη συσκευή της τηλεόρασης και στην επιπλέον έξοδο RF που αποκτά, συνδέει με καλώδιο 75Ω, το “προσωπικό του” modem. Πάνω στο modem τοποθετεί ένα καλώδιο τύπου RJ-45 και με αυτό συνδέει την κάρτα δικτύου του υπολογιστή του. Με ένα κλικ στον explorer, μπαίνει στο internet!
Στο σχήμα 3 έχουμε μια διάταξη διανομής με tap offs, με έναν ενισχυτή γραμμής. Από την έξοδο του συστήματος έως την είσοδο του ενισχυτή γραμμής, ισχύει ότι και στην προηγούμενη διάταξη. Αφού όμως υπάρχει ενισχυτής, τότε επιβάλλεται η χρήση δυο diplexers. Ενώνουμε τις εισόδους και εξόδους σύμφωνα με το σχήμα 1 και όλο το δίκτυο μετατρέπεται σε αμφίδρομο, άρα γίνεται κατάλληλο για την εφαρμογή μας.
Στο σχήμα 4 έχουμε μια πιο πολύπλοκη εφαρμογή. Το δίκτυο αυτό αποτελείται από τον κύριο κορμό, αλλά περιέχει και κλάδους. Υπάρχει ένας ενισχυτής γραμμής στον κύριο κορμό, στον οποίο κάναμε εφαρμογή παράκαμψης, σύμφωνα με την προηγούμενη περιγραφή του σχήματος 3. Έτσι, καταστήσαμε τον κύριο κορμό του δικτύου αμφίδρομο, στο φάσμα των 5-21MHz Κάθε κλάδος έχει στην αρχή του έναν ενισχυτή γραμμής και η διανομή τηλεοπτικού σήματος γίνεται στους χρήστες με splitter 1/3.
Όπως είναι λογικό, η εφαρμογή πολλών modem-χρηστών πάνω σε ένα Master modem, δεν μπορεί να είναι απεριόριστη, αφού, ανάλογα με τον κατασκευαστή, ένα Master modem μπορεί να “σηκώσει” περίπου 15 με 18 modem. Γι’ αυτό, κάθε κλάδος “ενδυναμώνεται” με τη χρήση ενός Master modem. Βέβαια, για να γίνει αυτό, θα χρειαστούμε επιπρόσθετα για κάθε κλάδο, δύο diplexers ακόμη, ένα master modem, αλλά και μερικά μέτρα καλώδιο RJ-45.
Με χρήση ενός diplexer παρακάμπτουμε τον ενισχυτή γραμμής, αλλά πριν οδηγήσουμε το σήμα στο δεύτερο diplexer, όπως στο σχήμα 3, φροντίζουμε πρώτα να μπει ενδιάμεσα το master modem. Για να γίνει κάτι τέτοιο, την έξοδο 5-21MHz του diplexer, τη συνδέουμε με το slave modem, το οποίο συνδέουμε με τη σειρά του με το master modem, χρησιμοποιώντας καλώδιο RJ-45. Στο δεύτερο diplexer, αυτή τη φορά, οδηγούμε την έξοδο του master modem.
Βέβαια, σε πολύ μεγάλες εγκαταστάσεις, που η ταυτόχρονη χρήση του δικτύου είναι μεγάλη και οι πιθανότητες να “κρεμάσει” το δίκτυο είναι αρκετές, απαιτείται η χρήση μιας δεύτερης γραμμής ADSL. Στην περίπτωση αυτή, είναι κατανοητό πως τα τμήματα του δικτύου που τροφοδοτούνται από διαφορετική γραμμή ADSL, δεν θα πρέπει να εμπλέκονται κατά την αμφίδρομη λειτουργία τους. Δηλαδή, θα πρέπει να είναι απομονωμένα, κάνοντας χρήση diplexers (σχήμα 5).
Τελικά, η χρήση τέτοιων συστημάτων λύνει -θα λέγαμε- τα χέρια πολλών, που θέλουν γρήγορη σύνδεση στο internet, αλλά το μηνιαίο κόστος τους, είναι απαγορευτικό. Κάνοντας όμως αυτή την εφαρμογή σε μια πολυκατοικία, το κόστος ανά χρήστη μειώνεται υπερβολικά. Αν και η τοποθέτηση του συστήματος γίνεται μέσα από την κεντρική εγκατάσταση τηλεόρασης, η χρήση του συστήματος μπορεί να γίνει μόνο από τους κατόχους των ειδικών modem. Έτσι, για παράδειγμα, σε μια πολυκατοικία 20 διαμερισμάτων, είναι δυνατόν να συμμετέχουν μόνο 10 διαμερίσματα (αυτά που έχουν slave modem) και να μοιράζονται το κόστος της γραμμής.
Σημείωση: Σε όλα τα εξαρτήματα που αποτελούν το σύστημα, η είσοδος είναι και έξοδος και η έξοδος είναι και είσοδος, ανεξάρτητα αν πρόκειται για σύνδεση F ή RJ-45. Άλλωστε, μιλάμε για αμφίδρομη λειτουργία του δικτύου, στους 5-21MHz.




